博马会·(中国)集团
首页
关于博马会·(中国)集团
公司简介
组织机构
荣誉资质
企业文化
新闻资讯
公司资讯
环境动态
环保告示
业务领域
工业废物处理
园区开发建设
环保应急处理
环保咨询服务
江碧产业园
产业园规划
废水处理厂
生产示范园
沙井基地
基地概况
历史沿革
人力资源
人才理念
人才招聘
联系博马会·(中国)集团
新闻资讯
公司资讯
环境动态
环保告示
公司资讯
首页
> 公司资讯
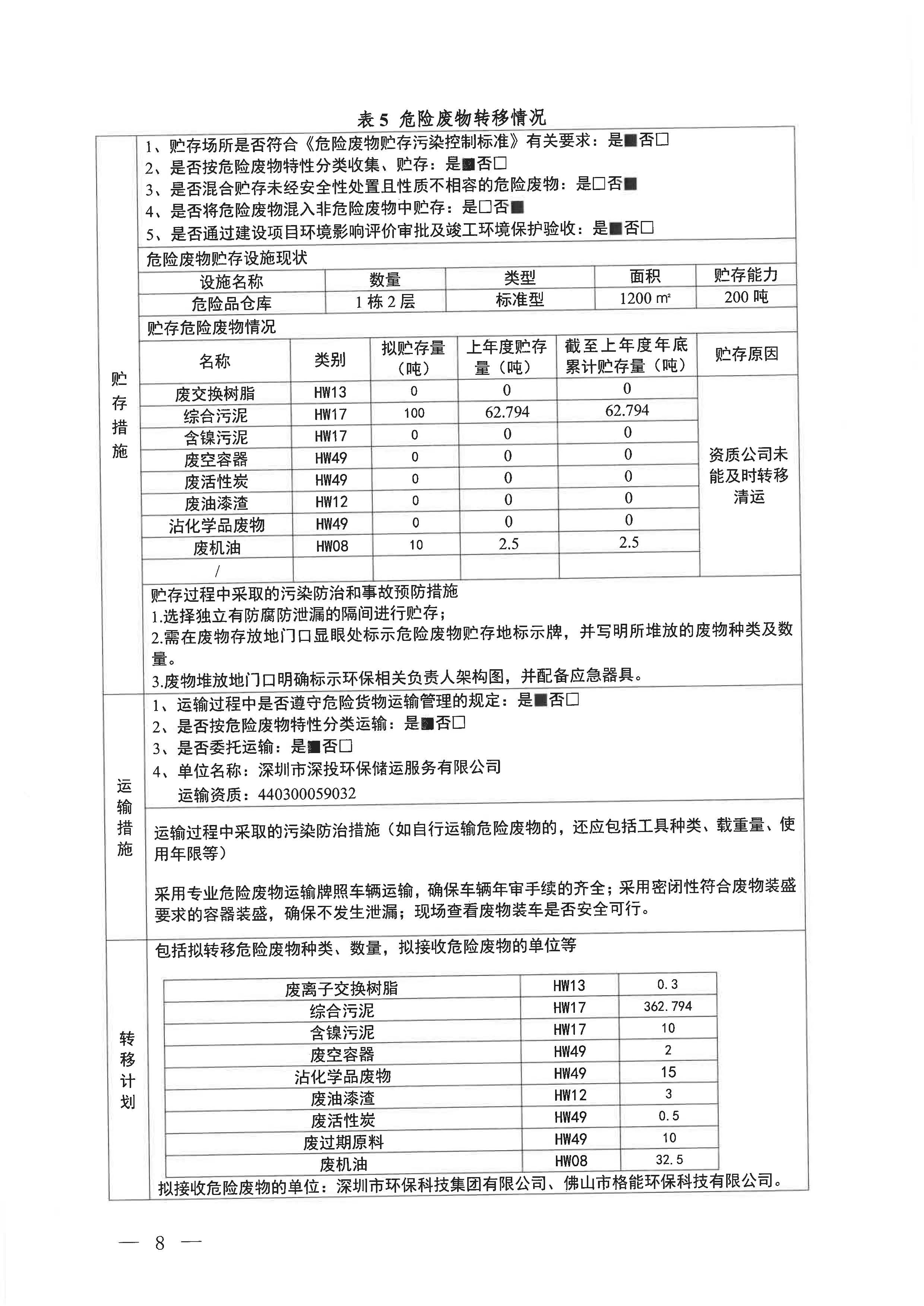
博马会·(中国)集团 -环境信息公开表
发布日期:2022年09月22日 作者: 来源:
下一篇:
博马会·(中国)集团 沙井基地综合楼电缆采购及安装项目询价结果的公示
上一篇:
博马会·(中国)集团 沙井基地管理中心2022年10月份药剂采购竞价成交公告
关于博马会·(中国)集团
公司简介
组织机构
荣誉资质
企业文化
新闻资讯
公司资讯
环境动态
环保告示
业务领域
工业废物处理
园区开发建设
环保应急处理
环保咨询服务
江碧产业园
产业园规划
废水处理厂
生产示范园
沙井基地
基地概况
历史沿革
人力资源
人才理念
人才招聘
© 2019 博马会·(中国)集团
法律说明
在线客服
在线咨询
电话咨询
0755-27085256
18138820551 陈生
18138825570 蒋生
18838869917 温生
18138825253 周生
微信公众号